文章来源:筑龙路桥市政
来源:筑龙路桥市政
版权归原作者所有
地下连续墙是市政工程非常常见的一项施工手段吗,在城市的深基坑工程中会机场用到该结构。施工完成后在,在地下会形成一道连续的钢筋混凝土墙壁,作为截水、防渗、承重、挡水结构等,具有多种用途。


一、施工准备
施工道路
1、承载力需要满足要求:地下连续墙施工所用的挖槽机、吊装机械、混凝土运输等大型设备,要求地基承载能力应大于100kN/m2。主要考虑吊车行走荷载,一般300T履带吊接地比压约0.08Mpa
常规做法:

2、道路要求:根据场地情况尽量在基坑外侧(或内侧)设置成环形施工道路(或临时错车点)道路宽度主要取决于钢筋笼吊装设备的行走宽度,目前国内外200t~320t主流履带吊的行走宽度都在7~ 9m,考虑到预留安全距离及不影响混凝土浇筑的施工,建议道路设置宽度为9~12m。厚度250mm的配筋道路(一般单层双向)


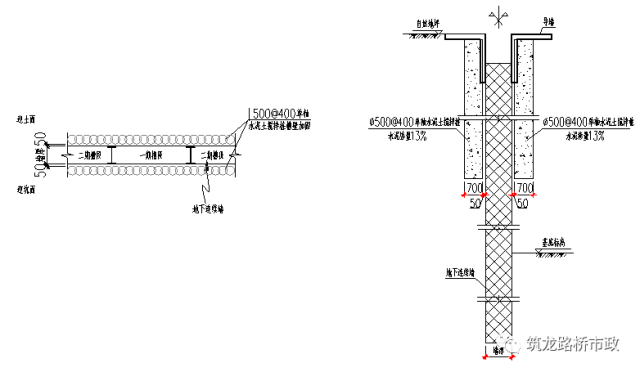
导墙的作用:测量基准、成槽导向;存储泥浆、稳定液位,维护槽壁稳定;稳定上部土体,防止槽口塌方;同时作为施工荷载平台,承受成槽机械、钢筋笼吊装等的荷载。

二、导墙施工
1、导墙墙底应设置在承载力较高的土层中,不得漏浆;厚度不应小于200mm,导墙埋深不应小于1.5m。(导墙深度主要以入非填土层200mm为依据。)
2、导墙常见的结构形式为倒“L”型和“[”型,前者多用在土质较好土层,后者多用在土质略差土层,底部外伸扩大支承面积。
3、导墙遇流朔软土、杂填土等不良地质时,宜进行换填、槽壁加固或采用深导墙。(槽壁加固可采用粉喷桩、三轴搅拌桩等,同时要注意:1、槽壁加固施工的垂直度 2、两侧同时设置避免溜槽影响垂直度)

三、泥浆
泥浆的功能:主要作用是护壁,此外还有携渣、冷却机具和切土润滑的功能。
泥浆的配合比:应根据场地地质条件、地下水状态等情况进行泥浆配合比设计和试验,一般泥浆的配合比可按下表选用:

泥浆的质量控制:新拌制泥浆及循环泥浆的性能指标应符合下表的要求。


泥浆池:通过泥浆池循环系统控制泥浆性能参数,确保地下连续墙成槽质量。泥浆的储备量宜为每日计划最大成槽方量的2倍以上。由于方量较大,泥浆池通常设置成半埋式


地连墙护壁泥浆通过泥浆泵和泥浆管在泥浆池和单元槽段之间进行循环,整个泥浆循环系统由搅拌机、储浆池、泥浆泵、输送管、振动筛、沉淀池等组成。孔壁的稳定依靠泥浆的性能,孔底沉渣取决于泥浆的含沙量。(在泥浆循环过程中必须使用除砂器)
四、成槽
成槽设备:目前国内通常使用的是抓斗式成槽设备,(90年代初采用多头回转工艺)在岩石层使用铣槽工艺或其它工艺如冲击、旋挖等(现在大功率抓斗对于软岩也可直接抓挖)目前所说的设备SG35\40\46\50等是指抓斗提升能力(35-50吨),成槽机设备主机重量约60—100吨左右,抓斗约20吨左右、抓斗容量1m3左右,抓斗最大张开距离2800mm。
抓斗式成槽机特点:
1、低噪音,低振动;
2、抓斗挖槽能力强,施工高效;
3、结构简单,易于操作维修;
4、设有测斜及纠偏装置,随时调 控成槽垂直度,成槽精度较高

抓斗式成槽机
适用条件:地层适应性广,如N<40的粘性土、砂性土及砾卵石土等。除大块的漂卵石、基岩外,一般的覆盖层均可。
深度:目前常规设备施工速度60—80m。(房建项目足以)
缺点:掘进深度及遇硬层时受限,降低成槽工效。

工效:
抓斗工效主要与深度、土层强度有关。对于35m深地墙(三抓)大约8-10小时,对于60m左右地墙约20小时左右。
冲击式成槽机
特点:对地层适应性强,适用一般软土地层,也可使用砂砾石、卵石、基岩,设备低廉。(一般只用在岩石地层,有些地区回填大的块石亦采用)
缺点:效率低。

双轮铣成槽机构造

双轮铣成槽机
优点:
对地层适应性强,淤泥、砂、砾石、卵石、中等硬度岩石等均可掘削;
施工效率高,掘进速度快,中等硬度的岩石能达1~2m3/h;
成槽精度高,可使垂直度高达1‰~2‰;
成槽深度大,一般可达60m,特制型号可达150m;
设备自动化程度高,运转灵活,操作方便。

局限性:
设备价格昂贵、维护成本高;
不适用于存在孤石、较大卵石等地层;
对地层中的铁器掉落或原有地层中存在的钢筋等比较敏感。由于该设备目前依靠进口,据统计国内设备数量铣只有10来台且设备造价高,维修不方便,因此较少使用
目前铣槽机、冲击钻只用于强度高的岩石。
槽段划分与开挖
单元槽段长度宜为4~6m。单元槽段最小长度应大于成槽机械挖土水平长度(水平长度2.8m);异型单元槽段的连续直线段应大于成槽机械水平长度。(引自湖北规程“DB42/T 914—2013” )

槽段划分与开挖
标贯值在50击以下的土层或单轴抗压强度在3MPa以下的岩层可采用液压抓斗成槽机进行成槽施工;标贯值大于50击的地层宜采用冲抓结合或者抓铣结合的方法进行成槽施工。

槽壁加固
位于暗浜区、扰动土区、浅部疏松砂性土中的槽段或邻近建筑物保护要求较高时,宜采用三轴水泥土搅拌桩对槽壁进行加固

刷壁
成槽结束后,应对相邻槽段端口全断面进行清刷除泥,确保接头无夹泥。
刷壁应彻底,刷壁器上无泥后再刷2~3次;闭合幅施工时,需另外增加刷壁次数。

清底
槽底沉渣清理一般采用沉淀抓除法、泥浆循环除砂法或泥浆置换法。清底分一清以及二清。二清建议使用泵吸或导管气举工艺清底(应重视两墙合一的清底质量保证,避免差异沉降)

清底后,槽底0.5~1m以内泥浆指标(每幅槽段取浆点应不少于2个)应符合下表规定

五、接头
接头类型
地下连续墙接头根据墙体结构形式、受力特征和止水要求可选择柔性接头(圆锁口管接头、铰接接头、铣接头)或刚性接头(“H”型钢接头、十字钢板接头、V型钢板接头)。


施工接头照片:

常用接头优缺点:
锁扣管:
优点:
构造简单;
施工方便,工艺成熟;
刷壁方便,易清除先期槽段侧壁泥浆;
后期槽段下放钢筋笼方便;
造价较低。
缺点:
属柔性接头,接头刚度差,整体性差;
抗剪能力差,受力后易变形;
接头呈光滑圆弧面,无折点,易产生接头渗水;
接头管的拔除与墙体混凝土浇筑配合需十分默契,否则极易产生“埋管”或“坍槽”事故。深度有一定的限制
“H”型钢接头:
优点:“H”型钢板接头与钢筋骨架相焊接,钢板接头不须拔出,增强了钢筋笼的强度,也增强了墙身刚度和整体性;
“H”型钢板接头存在槽内,既可挡住混凝土外流,又起到止水的作用,大大减少墙身在接头处的渗漏机会,比接头管的半圆弧接头的防渗能力强;
吊装比接头管方便,钢板不须拔出,不会出现断管的现象;
接头处的夹泥比半圆弧接头更容易刷洗,不影响接头的质量。
缺点:
从以往施工工程看,“H”型接头在防砼浇渗方面易出现同题,尤其是接头位置出现塌方时,若处理不妥,可能造成接头渗漏,或出现大量涌水情况。
十字钢板接头:
优点:接头处设置了穿孔钢板,增长了渗水途径,防渗漏性能较好;
抗剪性能较好。
缺点:
工序多,施工复杂,难度较大;.
刷壁和清除墙段侧壁泥浆有一定困难;
抗弯性能不理想;
接头处钢板用量较多,造价较高。
铣接头:
优点:
施工中不需要其它配套设备,如吊车、锁口管等;
可节省昂贵的工字钢或钢板等材料费用,同时钢筋笼重量减轻,可采用吨数较小的吊车,降低施工成本且利于场地安排;
一期或二期槽挖掘或浇注混凝土时,均无预挖区,且可全速灌注无绕流问题,确保接头质量和施工安全性;
挖掘二期槽时双轮铣套铣掉两侧一期槽已硬化的混凝土,新鲜且粗糙的混凝土面在浇注二期槽时形成水密性良好的混凝土套铣接头。
缺点:
II序槽段必须为2.8m,过多的II序槽段使得连续墙接头大大增加,是后续施工防水问题的一大隐患,因渗水路线相对直而短,易出现渗水现象。

先置式 “II”型钢箱混凝土接头:
优点:
其接头刚度、抗剪抗弯能力、止水抗渗能力等各方面都较后置式接头有一定的提高,取得了较好的效果。
缺点:
接头需要单独先行开挖施工,占用了一定施工工期。

接头施工:
接头箱或锁口管下放到底后,上部应高出导墙面2~2.5m。Ø槽段施工可将槽段分为一期和二期跳格施工,除此之外也可按序逐段进行各槽段的施工。前者累积施工偏差较小,接头质量容易控制。后者每个槽段的一端与已完成的槽段相邻,只需在另一端设置接头管,且钢筋笼可提前加工,施工速度较快,但是累积施工偏差较前者大,接头质量易出现问题。

六、钢筋笼
钢筋笼的制作:钢筋笼应整体制作,现场加工场地必须大于钢筋笼长度。采用焊接或机械连接,主筋接头搭接长度应满足设计要求,搭接位置应错开50%,HRB400级钢筋及直径25mm以上的HRB335级钢筋应采用机械连接;Ø钢筋笼宜采用钢板制作保护块,与主筋焊接,横向设置2~3块,纵向间距为4~5m。

钢筋笼的制作:
一个钢筋笼加工班组约11人左右,一幅60m长,6m宽的笼子大概需加工一天半左右;
钢筋笼应设置桁架、剪刀撑等加强整体刚度的构造措施,钢筋笼起吊桁架应根据起吊过程中的刚度和整体稳定性计算确定,钢筋笼加固措施如下图所示:
(横向及竖向桁架是保证吊装安全以及钢筋笼不变形的主要措施)

钢筋笼的吊装:
根据钢筋笼的形状、大小、重量和吊装高度选择吊装的方案以及吊车的型号;
(一般地墙钢筋笼含量在180-200Kg/m3左右,对于50m地墙重量在50t左右,首开幅含H钢则可能达到70t左右,一般主吊选择250-350t,辅吊选择100t履带吊)
钢筋笼宜整体吊装,如必须分段进行吊装时,分段连接位置应该避免在受力较大的部位,有可靠的措施保证上下钢筋笼的整体性;(60m左右钢筋笼不建议分段吊装,首先主吊不会较小不涉及租赁费用,其次分段吊装焊接时间较长不利于孔壁稳定及沉渣控制,另外由于孔口焊接不能保证钢筋笼的同心,影响钢筋笼下放)
合理进行吊点布置,并对吊点局部加强。应对主副吊扁担、主副吊钢丝绳、吊具索具、吊点以及钢筋笼的变形进行安全验算;(按常规超重钢筋笼吊装需经过安全站评审)
起吊时必须采用双机抬吊禁止钢筋笼下端在地面上拖引,钢筋笼吊起后不得空中摆动,应在钢筋笼下端系上拽引绳以人力操纵;
钢筋笼应在槽段清底后及时吊入,钢筋笼骨架吊入后应保证位置和标高准确,钢筋笼的迎土面和迎坑面应按设计要求放置,严禁反放;
异形槽段的钢筋笼的应设置局部加强措施来保证钢筋笼的吊装过程中整体性,并随钢筋笼放入槽段过程中进行逐步割除


钢筋笼的质量控制:
钢筋笼制作允许偏差、检验数量和方法应符合下表的规定:


主、副吊根据钢筋笼长度设置5点或6点吊装,上图笼长45m
混凝土配制:
水下混凝土必须具备良好的和易性,入槽时的坍落度宜为180~220mm;水下混凝土配合比应通过试验确定,宜掺入外加剂和矿物掺合料。
混凝土应采用双导管法浇筑,骨料最大粒径不得大于钢筋最小净距的1/3和导管内径的1/6~1/8。
水下混凝土配制强度等级应先进行试验,然后参照下表确定。

导管的构造和布置:
导管宜采用无缝钢管制作,壁厚不宜小于5mm,直径宜为200~250mm;直径制作偏差不应超过2mm,导管的分节长度视工艺要求确定,底管长度不宜小于4m,接头宜用法兰或双螺旋方扣快速接头。Ø开始浇筑时,导管底端距孔底的距离一般为0.3~0.5m,导管内应设置隔水栓。Ø在单元槽段内同时使用两根以上导管时,其间距不宜大于3m,导管与槽段接头或与已浇筑地下连续墙端面间的距离不宜大于1.5m。
水下混凝土浇筑:
混凝土应连续浇筑,间隔时间不应超过0.5h,且首批浇筑混凝土将导管底端的埋入深度不小于0.8m,双导管混凝土液面高度相差不能过大。Ø 随着混凝土的上升,要适时提升和拆卸导管,导管底端埋入混凝土面以下一般宜保持2~6m。Ø

质量控制:
地下连续墙混凝土坍落度检验每槽段不应少于3次;抗压强度试件留置数量为每100m3不少于1组,且每槽段不少于1组。抗渗试件每500m3不少于一组。
混凝土的密实度宜采用超声波检查,总抽样比例为20%;需要时采用钻孔抽芯检查强度。
开挖后地下连续墙各部位允许偏差应符合下表的规定

墙底注浆
施工控制要求:
墙底注浆应采用P.O.42.5普通硅酸盐水泥,浆液水灰比宜为0.5~0.6;浆液应过滤,滤网网眼应小于40μm。
注浆管宜采用钢管,壁厚不宜小于2mm,管径不宜小于25mm,单幅槽段(6m)注浆管的数量不应少于3根,注浆管应与钢筋笼固定牢靠,注浆管底应位于槽底以下200~500mm,声测管可兼作注浆管。
每幅槽段宜在混凝土初凝后终凝前进行清水劈裂开塞,在墙身混凝土强度达到设计强度的70%后开始进行后压浆施工。在正式注浆之前,选择有代表性的墙段进行注浆试验,以确定施工参数。
墙底注浆终止标准采用注浆量和注浆压力双控原则,满足下列条件之一可终止注浆:
(1)注浆量达到设计要求。
(2)注浆压力大于2MPa并持续3分钟,且注浆量达到设计注浆量的80%时。
由于地墙一般作为地下室外墙,为减少差异沉降,墙底应尽量减少沉渣,避免过大沉降。适当注浆可以克服局部沉渣带来的地墙沉降。
目前注浆管按常规桩基注浆设置,一般6m幅段采用3根注浆管,小于4m采用2根注浆管。注浆阀采用锥形,对于基底为基岩的注浆阀,锥形注浆阀在下放至基岩时可能会碰坏,因此在绿地项目采用环状注浆阀

七、安全措施
安全措施要求:
机电设备应由考核合格的专业机械工操作,操作时应遵守操作规程。特殊工种(电工、焊工、机操工等)及小型机械工应持证上岗。
电、气焊作业应实行隔离作业,电焊工必须戴专用的防护用品。
在保护设施不齐全、监护人不到位的情况下,严禁人员下槽、孔内清理障碍物。
吊机站位处,应确保地基有足够的承载力。吊车起重区域,不得有人停留或通过,并设置警示标识。
对槽口采取有效的防护措施。
雨、雪、冰冻天气应采取相应的安全措施,雨后施工应排除积水。
八、环境保护措施
环境保护措施要求:施工前应对周边建筑物、管线进行调查摸底,制定监测方案,对需重点保护的建筑物、管线应进行事前、事中及事后的安全鉴定,并委托有资质的监测单位进行监测。(目前上海出现过沉槽期间周边房屋变形)
施工现场出入口处应设置冲洗设施,由专人对进出车辆进行清洗保洁。
地下连续墙施工过程中泥浆排放应符合下列要求:
(1)施工过程产生的废土、渣土及废泥浆应集中堆放;
(2)废弃泥浆和污水未经处理严禁直接排入下水道和河流中;
(3)废土、渣土、废泥浆的处置应符合有关部门的规定;
(4)运送泥浆和废弃物时要用封闭的罐装车,不得有撒落、溢出或泄露现象。
九、施工检测
施工检测要求:
地下连续墙工程应进行槽壁稳定曲线、垂直度、沉渣厚度和槽宽、泥浆三相指标等参数的检测。

一、地下连续墙墙顶落底
地下连续墙的墙顶需低于自然地坪2.0m左右,主要原因如下:
地下连续墙自身泛浆高度要求。混凝土浇筑面宜高出设计标高300~500mm。Ø地下结构设备管道埋深一般在700-1500mm左右,为避开设备套管,方便施工,需将墙顶落低。
将墙顶落底使压顶梁与第一道围檩合二为一,即可节省工程造价,又可减小竖向支撑跨度,从而减小围护体内力和基坑变形。
二、地墙与主体结构的变形协调与连接措施
一般情况下主体结构工程桩都置于较好的土层上,而地下连续墙由于经济等方面因素不可能和主体工程桩处于同一持力层,因此主体结构封顶前后沉降过程中地墙和桩基不可避免出现差异沉降。为协调其间的差异沉降,通常可采用如下措施:
坑内邻近地墙位置设置边桩,以增加竖向承载的安全储备,协调地墙和主体结构之间不均匀沉降。
地下连续墙墙底选择较为稳定、压缩性较低的持力层。非围护体系受力段采用素混凝土或低配筋混凝土。
为增强地下连续墙纵向的整体刚度,协调各槽段之间的变形,地下连续墙作为永久使用阶段地下室外墙的一部分,应与主体结构梁板、结构壁柱以及基础底板进行有效的连接





三、地下连续墙防漏技术
由于地下连续墙自身施工工艺的特点,其施工是分槽段进行的,因此地下连续墙墙幅与墙幅之间接头位置的防渗漏是关键问题,尤其是当地墙作为地下室永久性外墙时,即两墙合一设计时,接头要有较好的止水构造。实际工程中也采用了许多种技术措施,地墙接头防渗总体效果较好,但由于施工因素,难免会发生一些局部的渗漏。针对这些情况,“两墙合一”的地下连续墙防水设计中可采取如下几项技术对策:
地下连续墙采用止水可靠性高的工字形刚性接头,同时在地墙槽段分缝外侧设置 RJP(MJS)工法大直径高压旋喷桩以提高接缝处的抗渗能力。

在地墙槽幅分缝位置设置扶壁柱,扶壁柱通过预先在地墙内预留的钢筋与地墙形成整体连接,从而增强地墙接缝位置的防渗性能;在地墙内侧设置通长的内衬砖墙,即在地下连续墙内侧一定距离处砌筑一道砖衬墙。砖衬墙内壁要做防潮处理,且与地下连续墙之间在每一楼面处设置导流沟,各层导流沟用竖管连通,使用阶段如局部地墙有细微渗漏时,可通过导流沟和竖管引至积水坑排出,以保证地下室的永久干燥。
有些地区为了外墙防水,内衬墙采用400mm左右低配筋混凝土衬墙
地墙与顶板、底板接缝位置留设止水条、刚性止水片等措施以解决接缝防水问题。

以上内容来源于网络收集整理,如有侵权请联系客服