一、北方建筑统一做法表
(一)、外墙做法
(二)、内墙做法
(三)、屋面做法
(四)、楼面做法
(五)、地面做法
结构地面施工工艺
根据建筑构造不同,施工工艺可分为以下几种:
1、预留地面钢筋法——适用于剪力墙结构,板钢筋采用错茬焊接方式连接。
2、预留地梁砼法——适用于框架结构,板钢筋后期绑扎,砼与地梁上部砼二次浇注。
3、以回填土为地模、地梁与结构地面整体浇注法——适用于工期不紧张的任何结构。
(六)、顶棚做法
(七)、踢脚、墙裙做法
二、主要保温材料选用表
三、主要防水材料选用表
四、防水材料简介
(一)、建筑防水设防等级
等级划分——根据建筑物重要程度、使用功能和建筑类型划分等级
使用年限——根据等级制定相应的合理使用年限
设防要求——根据合理使用年限规定设防要求
材料选用——适用的材料和限制使用的材料
1、屋面等防水等级及设防要求
2、地下室防水等级及适用范围
(二)、防水材料选择
材料分类:
刚性防水和柔性防水
(由于刚性防水拉伸强度低随基层开列而开裂丧失防水功能,沈阳公司原则上不允许使用)
柔性防水:
可分为防水卷材防水和防水涂膜
也可分为改性沥青、高分子、水泥基
沈阳公司目前选用的防水材料有:
SBS改性沥青防水卷材、单组分聚胺脂防水涂料、聚氯乙烯丙纶高分子复合防水卷材、聚合物水泥(JS-1)防水涂料
SBS弹性体改性沥青防水卷材:
胎 基 布——玻纤胎G、聚酯胎PY(克重、长丝)
隔离材料——聚乙烯膜PE、板岩颗粒M、细砂颗粒S
低温柔度——Ⅰ型(-18℃)、Ⅱ型(-25℃);
适用范围——寒冷地区、变形部位
例:SBSⅠPY PE4
APP塑性体改性沥青防水卷材:
胎 基 布——玻纤胎G、聚酯胎PY(克重、长丝)
隔离材料——聚乙烯膜PE、板岩颗粒M、细砂颗粒S
高温性能——Ⅰ型(110℃)、Ⅱ型(130℃);
适用范围——高温地区、变形稳定部位
例:APPⅠG M3
聚氨酯防水涂料(S):
主要成分——以异氰酸酯、聚醚为主要原料,配以各种助剂和填料经聚合反应制成
按组分分类——单组分S、双组分M
按拉伸性能分类——Ⅰ型(≥ 1.9MPa)、Ⅱ型(≥2.45MPa);
主要性能——弹性高、整体性好、耐紫外线差,不能暴露使用、对基层平整度、干燥程度要求高、需要良好的通风条件、不易成品保护;双组分存在施工不易控制缺点;
适用范围——Ⅰ型适用于屋面多道防水设防中的一道非外露防水设防;Ⅱ型适用于地下工程防水设防;两种均适用于卫生间防水。
聚乙烯丙纶高分子复合防水卷材:
主要成分——防水层是线性低密度聚乙烯树脂加入抗老化剂、稳定剂、助粘剂等制成,表面由高强度新型丙纶长丝无纺布构成;接缝采用胶或水泥胶浆粘贴。
主要性能——抗拉强度高、抗渗能力强、对基层要求低,施工方便。养护期间严禁踩踏,弹性差,铺贴须平整、无空鼓情况。成本低。
适用范围——屋面、卫生间防水。
聚合物水泥基防水涂料(JS):
主要成分——由多种水性聚合物合成的乳液与掺有各种添加剂的优质水泥组成,双组分。
主要性能——对基层要求低,施工方便。缺点是目前市场上配方混乱,而随着配方的调整其成本、强度、柔韧度等变化较大,不易控制。
适用范围——卫生间防水。
(三)、防水材料选择方案—标准做法
做法比较:
结构地面一次成活控制要点:
实现结构地坪一次成活的施工工艺应注意一下事项:
·通过添加砼缓凝剂、降低早期强度增长速度;
·增加抹压机械及抹压人员、严禁添加水泥素灰找平;
·减少地面预埋锚固件数量,保证后期观感质量;
五、防渗漏统一做法节点图示
(一)、地下室防渗漏节点做法
1、地下室底板:
适用部位:
地下室底板大面
施工工序:
素土夯实—垫层—防水附加层—防水层—防水保护层—底板—饰面层
质量控制点:
1、素土夯实及混凝土垫层
2、防水层施工质量
3、防水保护层
4、底板混凝土浇筑质量
5、底板混凝土养护
2、地下室外墙
适用部位:
地下室外墙
施工工序:
浇筑混凝土—对拉螺杆处理—缺陷修补—防水附加层—防水层—聚苯板保温
层—室外回填土
质量控制点:
1、对拉水螺杆封堵
2、施工缝、后浇带处设置止水钢板
3、混凝土缺陷
4、防水附加层、防水层厚度、范围控制
5、防水保护层及时回填
6、回填土分层夯实
3、地下室顶板
质量控制点:
1、顶板抗渗混凝土质量及结构找坡
2、保温层的施工质量
3、陶粒混凝土的找坡控制4、防水材料及防水层施工质量控制
3、细石混凝土保护层施工
4、滤水层施工质量控制
5、成品保护
4、地下室外墙后浇带
质量控制点:
1、钢板止水带与钢板网安装、固定
2、后浇带周边清理
3、后浇带模板封闭严密
4、后浇带混凝土质量及养护
5、墙体混凝土缺陷处理
6、防水附加层和防水层
5、地下室底板后浇带(构造)
质量控制点:
1、防水附加层、防水层施工范围、厚度
2、凹槽模板设置
3、后浇带两侧底板混凝土清理,后浇带内钢筋清理,后浇带基槽清理
4、后浇带混凝土施工质量
5、后浇带混凝土养护
6、地下室底板后浇带(结构)
质量控制点:
1、防水附加层、防水层施工范围、厚度
2、钢丝网设置
3、后浇带两侧底板混凝土清理,后浇带内钢筋清理,后浇带基槽清理
4、后浇带混凝土施工质量
5、后浇带混凝土养护
7、地下室顶板后浇带
质量控制点:
1、设置钢板网并固定牢固
2、梁板底部支撑留置
3、后浇带清理
4、顶板后浇带模板支设平整、牢靠
5、后浇混凝土质量与养护
6、防水附加层和防水层
8、地下室侧墙施工缝
质量控制点:
1、钢板止水带预埋
2、施工缝周边混凝土及钢筋清理
3、墙体混凝土质量及养护
4、施工缝处混凝土振捣密实
5、墙体混凝土缺陷及螺杆封闭处理
6、防水附加层和防水层施工范围、厚度
7、防水保护层
9、地下室外墙与底板转角防水
质量控制点:
1、阴阳角防水附加层范围及厚度
2、预留防水层接头施工质量及临时保护
3、底板与外墙防水搭接施工质量控制
10、地下室外墙与顶板转角防水
质量控制点:
1、防水附加层和防水层范围、厚度
2、防水保护层
11、地下室外墙转角
12、固定式穿墙管
质量控制点:
1、钢管与止水环双面满焊
2、穿墙管定位安装
3、防水附加层范围、厚度控制
4、防水层施工
5、设备安装与防水/饰面施工顺序
13、穿外墙套管防水
质量控制点:
1、止水套管安装
2、管道/线缆安装
3、油麻、沥青油膏堵塞密实
4、防水附加层及防水层范围、厚度控制
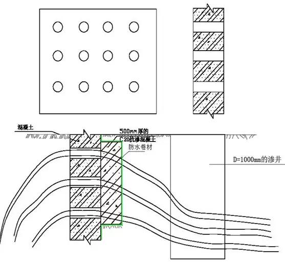
14、群管穿外墙套管防水
当群管穿外墙时:
1、管线铺设时,墙两侧管线底于穿墙套管;
2、在混凝土外墙浇注500厚抗渗混凝土;
3、外墙防水整体施工,转角处增加附加层;
4、在电缆管线套管上留滴水口。
5、在距离外墙2米范围内增加直径1米的渗井,深度底于管线最低点,后期由物业定期清理。
(二)、楼地面防渗漏节点做法
1、无防水厨房地面
质量控制点:
1、基层处理
2、穿楼板管线周边闭水试验
3、面层施工
2、卫生间地面
质量控制点:
1、基层处理
2、结构闭水试验
3、找平/找坡层的坡度及坡向
4、防水层厚度、范围
5、闭水试验
6、面层平整度及坡度、坡向
(备注:卫生间地面采用聚氯乙烯丙纶高分子复合防水卷材,周边上返300,淋浴间、浴缸等墙立面采用JS涂膜防水)
3、无套管穿楼板管道
质量控制点:
1、孔洞清理凿毛
2、混凝土密实度
3、嵌填密封膏
4、防水层
5、闭水试验
4、有套管穿楼板管道
质量控制点:
1、套管定位及固定
2、套管清理
3、套管与管道间沥青麻丝密实度
4、打密封膏
5、闭水试验
6、防水附加层及防水层
7、面层坡度
5、地漏节点
质量控制点:
1、孔洞清理、凿毛、湿润
2、细石混凝土密实度
3、结构闭水试验
4、嵌填密封膏
5、防水层施工
6、面层坡度
6、厨房、卫生间管道井
质量控制点:
1、孔洞清理、凿毛、湿润
2、细石混凝土密实度
3、结构闭水试验
4、防水层施工
5、面层坡度
7、烟道卸荷
质量控制点:
1、采用50×50×5角钢每八层设置一道
2、角钢与楼板钢筋焊接
3、烟道安装后二次浇注混凝土
8、管道井节点
质量控制点:
1、孔洞清理凿毛
2、混凝土密实度
3、嵌填密封膏
4、闭水试验
(三)、外墙及门窗防渗漏节点做法
1、外墙螺栓孔
质量控制点:
1、螺栓孔洞的封堵
2、外保温施工
3、外饰面
2、一次性外墙螺栓孔
质量控制点:
1、一次性止水对拉螺杆及止水片
2、对拉螺杆切割深度
3、外墙孔洞支模
质量控制点:
1、基层凿毛清理
2、浇水湿润
3、混凝土浇注密实度
4、散水坡
质量控制点:
1、素土夯实
2、炉渣或砂防冻胀
3、混凝土找坡
4、油膏嵌缝
5、空调台
质量控制点:
1、结构闭水
2、排水找坡
3、防水层
4、保护层
6、有保温穿墙套管
质量控制点:
1、管道坡度
2、管道安装
3、油麻堵塞密实
4、打发泡胶
5、打密封膏
7、有保温砌体穿墙套管
质量控制点:
1、管道坡度
2、管道安装
3、油麻堵塞密实
4、打发泡胶
5、打密封膏
8、有保温外墙变形缝
质量控制点:
1、基层处理
2、挡水板固定
3、外墙保温
4、油膏密封
9、飘窗
质量控制点:
1、基层找平找坡
2、防水层
3、保护层
10、空调孔
质量控制点:
1、空调孔管位确定
2、U-PVC管坡度
3、外饰面
11、夹心墙窗口
12、外保温窗口
(四)、屋面防渗漏节点做法
1、屋面节点
质量控制点:
1、管根、落水口、烟道四周封堵
2、结构闭水试验
3、出屋面管道四周封堵及圆角、防水附加层
4、防水施工质量控制
5、闭水试验
6、刚性保护层及分格缝
2、斜屋面
质量控制点:
1、出屋面管道四周封堵及圆角、防水附加层
2、屋面防水层
3、保温层
4、淋水试验
5、混凝土保护层
(内配φ6@400钢筋)
6、屋面瓦铺设
3、有保温外墙变形缝
质量控制点:
1、出屋面管道四周封堵及圆角、防水附加层
2、预留钢筋及其与屋面板接触处涂刷聚氨酯
3、屋面防水层
4、淋水试验
5、顺水条和挂瓦条的安装、固定
4、别墅坡屋面节点
质量控制点:
1、基层处理
2、挡水板固定
3、外墙保温
4、油膏密封
5、洋房坡屋面节点
6、出屋面烟道
质量控制点:
1、烟风道道壁基层修整
2、阴角部位防水附加层
3、防水层施工质量
7、坡屋面烟道
质量控制点:
1、烟风道道壁基层修整
2、阴角部位防水附加层
3、防水施工质量
4、泛水安装
5.出屋面管道根部防渗漏
8、出屋面管道
质量控制点:
1、套管预埋
2、套管内部清理干净
3、阴角部位圆角及防水附加层
4、防水施工质量
5、抹灰时注意避免破坏防水层
9、女儿墙
质量控制点:
1、女儿墙基层修整
2、阴角部位防水附加层
3、防水层施工质量
4、混凝土压顶
10、出屋面反槛(露台)
质量控制点:
1、基层清理干净
2、阴角部位圆角及防水附加层
3、防水层施工质量
4、陶粒混凝施工
11、等高屋面变形缝
质量控制点:
1、缝内基层清理及塞缝
2、阴角部位圆角及防水附加层
3、防水施工质量
4、沥青麻丝封堵
5、盖板封堵
12、高低屋面变形缝
质量控制点:
1、缝内基层清理及塞缝
2、阴角部位圆角及防水附加层
3、防水施工质量
4、盖板封堵
13、直排落水斗
质量控制点:
1、预留洞口清理
2、落水斗与洞口间细石混凝土封堵
3、防水附加层及防水施工质量
4、密封胶填塞密实
14、侧排雨水斗
质量控制点:
1、基层清理干净
2、侧墙(女儿墙)混凝土浇捣密实
3、侧排口低于屋面
4、防水层施工质量
5、抹灰时注意避免破坏防水层
